粉体行业在线展览
粉体输送泵
隔膜泵
蠕动泵
真空泵
离心泵
螺杆泵
启动阀
粉体专用阀
电磁阀
换向阀
气动蝶阀
截止阀
挡板阀
防爆阀
旋转阀
管道泵
磁力泵
增压泵
计量泵
柱塞泵
罗茨泵
放料阀
流量控制阀
调节阀
气动球阀
闸阀
止回阀
释放阀
隔膜阀
产品>
泵阀设备>
>衬氟旋塞阀
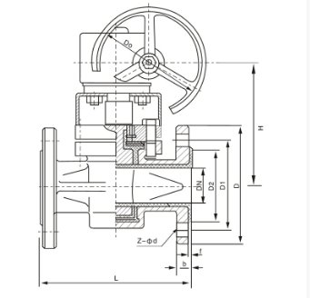
衬氟旋塞阀
直接联系
浙江氟田阀门制造有限公司
浙江
面议
氟田阀门
1504
衬氟旋塞阀衬氟旋塞阀衬氟旋塞阀衬氟旋塞阀衬氟旋塞阀衬氟旋塞阀衬氟旋塞阀衬氟旋塞阀
产品咨询
请填写您的姓名:*
请填写您的电话:*
请填写您的邮箱:*
请填写您的单位/公司名称:*
请提出您的问题:*
您需要的服务:
中国粉体网保护您的隐私权:请参阅 我们的保密政策 来了解您数据的处理以及您这方面享有的权利。 您继续访问我们的网站,表明您接受 我们的使用条款
衬氟直通式止回阀
直通视镜
衬氟法兰手动截止阀
Y型过滤器
衬氟三通
衬氟法兰手动隔膜阀
衬氟电动单座调节阀
衬氟气动单座调节阀
气动对夹蝶阀
手动对夹蝶阀
304手动衬氟球阀
PB80AL-TT91-F
--
隔爆旋转阀
BL
BZGFKWLCF